SHSL-UV Ultraviolet Laser Series
The SHSL-UV series supports wavelengths:
- 280 nm
- 295 nm
- 532 nm
- 560 nm
- 590 nm
Key Features
- Diode-pumped, long lifetime
- Multi-wavelength output
- 24/7 industrial operation
Applications
- Atmospheric lidar
- Optical imaging
- OCA coating removal
SHSL-UV Technical Parameters
Models
- SHSL-300-UV
- SHSL-20-UV
Key Specifications
- Pulse energy @280nm: ≥300 µJ / ≥20 µJ
- Pulse energy @295nm: ≥300 µJ
- Pulse width: 6–10 ns
- Repetition rate: 100 Hz / 5000 Hz
- Cooling: Water / Air
- Lifetime: ≥40,000 hours
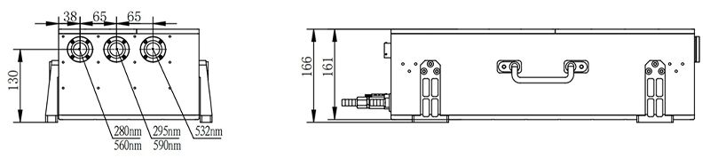
SHSL-UV Mechanical Dimensions
- SHSL-300-UV laser head dimensions
- SHSL-20-UV laser head dimensions
- Mounting and installation drawings
SHSL UV Series – Advanced All-Solid-State UV Laser
Cutting-Edge UV Lasers by Solid Laser
Renowned for precision and engineering excellence, Solid Laser offers the SHSL UV Series, our premium All-solid-state UV laser line. Designed for use as a reliable Ultraviolet Raman laser source, it also serves to achieve constant output, exceptional beam quality, and spectral precision.
Having a small, rugged size and a long-lasting capability, the SHSL UV Series provides high-quality and consistent UV excitation to perform advanced spectroscopy, molecular research, and industry use.
Precision and Innovation in Our Design
SHSL UV Series is a fully All-solid-state UV laser platform offered by our company with clean and stable output in critical UV applications. By choosing us, you benefit from:
- Regular, low-noise output for repeatable results.
- High spatial beam quality to measure precisely.
- Small and robust laboratory and industrial design.
- Stable long term performance on long term experiments.
Solid Laser’s Expertise in UV Laser Design
Robust All-Solid-State UV Design
Each SHSL UV system at Solid Laser is a well-designed All-solid-state UV laser, offering excellent stability, low maintenance, and consistent UV production.
Precision Ultraviolet Raman Laser Source
Our systems act as an advanced ultraviolet Raman laser source, serving as a high-intensity, narrow-linewidth UV source for spectroscopy, molecular analysis, and photonics diagnostics.
Long-Term Operational Reliability
We design the SHSL UV Series with precision optics and efficient diode-pumping technology, making it reliable and predictable in longer periods of operation. This makes it very reliable in research and industrial usage.
Where Our SHSL UV Series Makes an Impact?
By choosing our company, you are selecting an Ultraviolet Raman laser source offering accuracy and repeatability in all its applications.
It is widely used in:
- Raman spectroscopy and chemical identification.
- Research on nonlinear optics and photonics.
- Research on materials science.
- Semiconductor inspection and industrial testing.
- Molecular diagnostics and environmental monitoring.
Our Commitment to High Performance
At Solid Laser, we ensure each SHSL UV system meets strict quality standards.
Key features include:
- Effective diode-pumped UV production.
- Low-noise electronic control.
- Stability in high beam pointing.
- Long operational lifetime
- Strong, miniature, OEM packaging.
Flexible Design & OEM Support by Us
Our firm collaborates with its clients to customize the SHSL UV Series according to their specifications. We offer full engineering support for smooth integration and optimal performance.
Our Customization Options Include:
- Wavelength tuning for UV-specific applications.
- Pulse energy adjustment for sensitive experiments.
- Compact OEM-ready modules.
- Automated system control electronics.
Frequently Asked Questions
Yes, we have small models of Ultraviolet Raman laser source that can be used in the laboratories where there is no space and reliability in performance is required.
Our diode pumps are carefully made diode-based solid-state technology combined with vigorous quality testing to ensure consistent and reliable long-term laser output.
Yes, our All-solid-state UV laser has controlled output power so that it heats less and does not damage delicate samples during the experiment.
Our laser systems are designed on the principle of maintaining the low-amplitude noise, and the researchers can attain stable signals and precise UV measurements.
Achieve Reliable UV Performance with Solid Laser
Experience the SHSL UV Series from Solid Laser that delivers stable, high-quality UV output for reliable research and industrial results.